1.产品特点
单轴
撕碎机是本公司开发的新型破碎机。机器采用了密排动刀结构,设有液压驱动的推料强制喂料机械,具有破碎能力强,效率高等特点。撕碎机主要电气采用施耐德或西门子,确保了系统的安全运行;
2.设备的用途和性能
午夜免费网站撕碎机主要用于塑胶行业中各种厚壁废旧料、边角料的破碎回收;
机器采用了密排小刀片刀滚结构,并设有推料板强制喂料等机构,具有破碎性能稳定、效率高、温升低、操作方便等特点,多重开关保护,安全可靠;
3.外形结构图

4.单轴撕碎机技术参数
动刀数量:22
定刀数量:2
回转直径(mm):φ150
进料口尺寸(mm):300×300
功率(KW):4
液压功率:0.75
重量(kg):300
长X宽X高(mm):1200X800X1100
筛网:直径22
转速:80-100
5.撕碎机操作说明
v 运行:电源指示正常后,依次按下电源启动、油泵启动、送料启动,最后按下主机启动按钮,进料破碎;本机能实现主机负载情况按程序进行分析处理,从而保障主机安全顺利运行;
v 停机:生产完成后请确认清料后,按下停止按钮停机,停止油泵运行,最后停止送料,断开空气断路器。
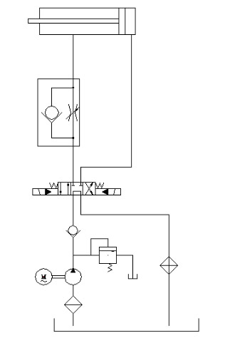
6.单轴午夜免费网站
撕碎机液压原理图